
|
Arkkitehtipiirustukset
> ARK 1 Suunnitteluperusteet
> ARK 2 Asemapiirustus
> ARK 3 Julkisivut Pohjoiseen ja Etelaan
> ARK 4 Julkisivut Lanteen ja Itaan
>
ARK 5 Pohjapiirustukset (alakerta ja ylakerta)
>
ARK 6 Rakenneleikkaus
> ARK 7 Perustus ja hormileikkaus
|

|
Perustuspiirustukset
> RAK 11 Perustus
> RAK 12 Perustusleikkaukset
|

|
Rakennepiirustukset
> RAK 1 Yla-aulan runkoleikkaus
> RAK 2 Yla-aulan pohjarakenne
> RAK 3 Yla-aulan sivukuvanto
> RAK 4 Saksiristikko
>
RAK 5 Keharitikko
> RAK 6 Hirsikehikko pohja
> RAK 7 Hirsikehikko leikkaukset
> RAK 8 Ylakamarin runkoleikkaus
> RAK 9 Ylakamarin pohjarakenne
> RAK 10 Ylakamarin sivukuvanto
|

|
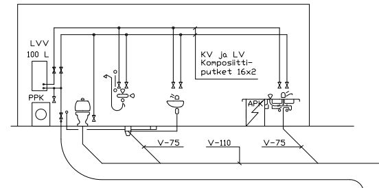
LVI-piirustukset
> LVI
1 LVI asemapiirros
> LVI
2 Linjakaavio
> LVI
3 Vesi- ja viemarilaitteet
>
Imeytyskentan asennus
>
Kellarin mittarin ja jakotukin asennus
|

|
Mitoituslaskelmat
> Sokkelin routaeristyslaskenta
> Valipohjan
varahtelytarkastelu
>
Alapohjan U-arvolaskelma (rakennus)
>
Alapohjan U-arvolaskelma (kostea tila)
|

|
Sahkopiirustukset
> SA1 Ryhmakeskus
> SA2 Alakerran lämmitys
> SA3 Alakerran valaistus
> SA4 Keittiö
> SA5 Sauna ja pesuhuone
> SA6 Ylakerran valaistus
> SA7 Ylakerran pistorasiat
> SA8 Antennikaapelointi
|

|
Keittiosuunnitelma
>
Keittiosuunnitelma
|